Hydraulic power unit


Special Notes
1) The motor is a S3 duty one, which can only be worked intermittently, ie., 1 mimute on and 9 minutes off.
2) Viscosity of the oil should be 15-68 cst.
3) Check the oil level in the tank after the first start of the power unit.
4) Change the oil after the first 100 hours of using the power unit, then change the oil every 3000 hours.
5) We are at your disposal to offer you the power units with your favorate power, flow, pressure as well as the tank capacity.
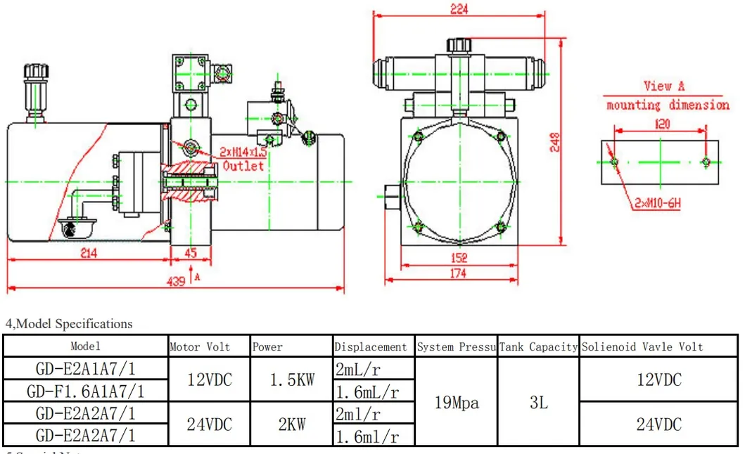
6) There are two optional mounting styles--horizontal or vertical. Indicate a proper one when ordering.
- About GD Macinery Co.,Ltd
GD Machinery Co., Ltd. is a specialized manufacturer and trader with main products: hydraulic cylinders, hydraulic power units, hydraulic manifolds-blocks, hydraulic flanges,pneumatic cylinders and custom-made components and parts, like industrial valves.
Our sales markets have covered our sales markets have covered North America, Europe, Australia and Japan.
Hydraulic Power Unit

Specification



- Single direction hydraulic power units are commonly used to charge accumulators, power single direction hydraulic motors and single-acting cylinders, as well as for use with multi-function circuits through external valving. Bi-directional hydraulic power units are commonly used to operate double-acting cylinders and reversible motors.
Markets:
• Industrial
• Medical
• Packaging
• Material Handling
• Manufacturing
• Construction
Features/Benefits:
• Design Flexibility
• Bi-directional, reversible units
• Vertical and horizontal mounting
• Double-acting cylinders with two-way motors
• Multiple reservoir sizes
• Improved Performance
• Thermal relief valve to allow bleed-off of built-up pressure Back-pressure circuits to provide closed-loop operation Soft seat load hold valves
Applications:
• Wheelchair lifts
• Scissor lift tables
• RV levelers
• RV room slides
• Cab tilts
• Mobile sign lifts
• Boat lifts
• Pallet movers
Technical Characteristics:
• 800 W (1 HP), 12 & 24 VDC motors
• Flow rates from 2.8 to 5.3 lpm (.75 to 1.4 gpm)
• Pressures capability of 241 bar (3500 psi)
• Available in three standard pump sizes - Packaging

Other products 
Hydraulic Power unit and hydraulic cylinders can be built as your drawings .
Sample orders are acceptable.
More information,please kindly contact: